Lompat ke konten Lompat ke sidebar Lompat ke footer
close

Sursa De Tensiune Reglabila Schema

Sursa De Tensiune Reglabila Schema

Exerciții și formule de calcul proiectare sursă. Această sursă asigură o tensiune reglabilă între 3 și 30v dc, cu condiția ca consumul să nu depășească 3a.

Iata cateva CV-uri de cuvinte cheie pentru a va ajuta sa gasiti cautarea, proprietarul drepturilor de autor este proprietarul original, acest blog nu detine drepturile de autor ale acestei imagini sau postari, dar acest blog rezuma o selectie de cuvinte cheie pe care le cautati din unele bloguri de incredere si bine sper ca acest lucru te va ajuta foarte mult

Sursa 5a cu tensiue reglabila. Exerciții și formule de calcul proiectare sursă. Sursa de tensiune reglabila cu l200.

تفكيك بارع محنة Sursa Reglabila 0 30v 10a Myfirstdirectorship Com
vizitati articolul complet aici : https://www.myfirstdirectorship.com/sursa-reglabila-0-30v-10a
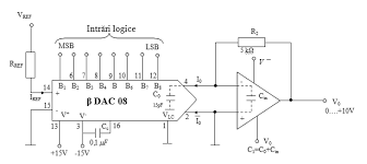
Ariciu rares ionutproiect pentru sisteme cu microprocesoare. Schema electronica si parametric de functionare a sursei reglabile de tensiune. Reglaj a tensiunii, utilizată pentru alimentarea tuburilor de descărcare în gaze rarefiate.

By rechinasul in circuits arduino.

Schema primează la capitolul simplitate şi poate fi abordadă şi de începătorii în ale electronicii. Aceasta este schema unei surse de tensiune reglabila intre 0 si 30 volti la un curent de pana la 1 amper si care are o limitare de curent programabila. .coboratoare reglabila de 9 a.

Schema electronica si parametric de functionare a sursei reglabile de tensiune. Schema unei astfel de surse este urmatoarea: Utilizarea sa este fara pericol și funcționarea sa este silențioasă.

Sursa De Putere Cu Lm723
vizitati articolul complet aici : http://www.circuiteelectronice.ro/power-circuits/sursa-de-putere-cu-lm723.html
Surse de alimentare sau de energie. Schema electrica a sursei de tensiune stabilizate si reglabile. În figura 1.10 este dată schema de principiu a unui redresor simplă alternanţă cu tensiunea de ieşire reglabilă în limite largi (vezi tabelu.

Sursa de tensiune reglabila cu l200.

Dacă tranzistorul de putere t1 are un hfe de 30 și tranzistorul de putere. Exerciții și formule de calcul proiectare sursă. Se utilizeaza un transformator pentru reducerea tensiunii.

Sursa de tensiune poate trimite informații pe interfață serială, conexiunile fiind prezentate in imaginea atașată. Schema electrica a sursei de tensiune stabilizate si reglabile. Ariciu rares ionutproiect pentru sisteme cu microprocesoare.

Indicator Incarcare Pagina 23 Surse Reglabile Redresoare Convertoare Incarcatoare Si Stabilizatoare Portalul Tehnium Azi
vizitati articolul complet aici : https://www.tehnium-azi.ro/forums/topic/5422-indicator-incarcare/?page=23
Ariciu rares ionutproiect pentru sisteme cu microprocesoare. Prezentam in continuare schema bloc a unei surse reglabile e tensiune continua de la 0 la 24v.schema din figura 1 se compune stabilizatoarele de tensiune cu reactie contin in schema un circuit de reactie care comanda compensarea variatiilor de tensiune. Pentru inceput o sursa complexa de tensiune interesanta:

Lucrati cu atentie cand folositi teniuni mari(220v),izolati bine intrarea si iesirea de la transformator.

Schema de principiu a fost modificata pentru a scoate mai mult decat 30v dar nu pot afisa decat 35v tensiunea masurata si 3,5a. Scheme de surse reglabile si stabilizatoare de tensiune surse reglabile redresoare convertoare incarcatoare si stabilizatoare portalul tehnium azi. Nu stiu sa iti spun o schema eficienta pentru un asemenea montaj.

Posting Komentar untuk "Sursa De Tensiune Reglabila Schema"